製品詳細
株式会社ノリタケカンパニーリミテド 流体テクノ部 化工グループ
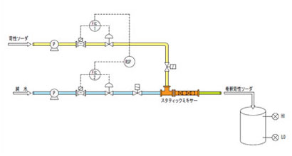
苛性ソーダ希釈システム
メーカーの製品情報サイトはこちら
薬品を安価にする
苛性ソーダ連続希釈装置
48%苛性ソーダの搬入で、荷役コストを半減 !!
タンクローリー 2台荷役 ⇒ 1台荷役に
自家希釈で、希釈代金も削減 !!
高濃度の苛性ソーダをインラインで希釈して、一定濃度の苛性ソーダを連続して生産します。硫酸希釈システムと同様、工業用の基礎薬液を調合製造するシステムです。
この企業の登録製品はこちら
◆特長
|
● |
スピーディー |
|
|
タンクローリーの従来荷役作業時間内で、希釈供給が可能 |
|
● |
コンパクト |
|
|
希釈タンクが不要な為、設置スペースが大幅に縮小。 |
|
● |
高精度希釈 |
|
|
設定濃度の±1%以下(定常運転時)まで調整可能。 |
|
● |
セーフティー |
|
|
インラインの為、外気との接触が無く安全。 |
|
● |
簡単操作 |
|
|
タンクローリー接続して、ボタンを押す、簡単操作を実現。 |
◆アプリケーション
◆仕様例
|
| 処理能力 |
入口 |
48% 苛性ソーダ:1950 kg/h
純水:1950 kg/h |
| 出口 |
24% 苛性ソーダ:3900 kg/h |
| ユーティリティー |
エアー |
50 NL/min(0.5MPaG) |
| 電源 |
200V 3相 6kW |
| 寸法・質量 |
1800L×1300W×1600H(mm)
約800kg |
|
【エンジニアリング装置】 混合システム
|
混合のプロセスには、調合・希釈・分散等があります。スタティックミキサーはその混合原理により、流体の種類を問わず、様々な混合プロセスに適用できます。
ノリタケでは、スタティックミキサーを核とし、定量ポンプ・流量計等を組み合わせた全自動のインライン混合システムを設計・製作しております。 |
 |
| 塗工液連続混合システム |
| シンプル・クリーン・リアルタイム |
2種類以上の樹脂原料を連続的に混合するシステムです。
従来のタンク内で混合するバッチ方式に替わる新しいシステムです。 |
| >詳細はこちら |
|
 |
|
 |
|